Play Icon
Please to watch this video
Imprimante à jet d'encre industrielle

Markoprint integra PP 108 bicolor

Imprimante bicolore à grands caractères pour des hauteurs d’impression jusqu’à 108 mm sans décalage

  • Pour les marquages bicolores, par exemple les symboles SGH
  • Hauteur d’impression jusqu’à 108 mm, résolution d’impression jusqu’à 360 dpi
  • Atteint des vitesses d’impression allant jusqu’à 150 m/min
  • Idéal pour les surfaces absorbantes, par ex. les emballages en carton
  • Réservoirs d’encre internes avec 750 ml de réserve d’encre

Imprimante bicolore à grands caractères comme alternative aux étiquettes

Le nom de la Markoprint integra PP 108 bicolor révèle déjà sa hauteur d’impression maximale de 108 mm et la possibilité d’imprimer en deux couleurs. L’imprimante jet d'encre piézo réalise l’impression de gros caractères sans décalage, nécessaire dans de nombreux secteurs, et imprime en haute résolution des textes, des codes à barres 1D, des codes 2D et des graphiques tels que des pictogrammes de danger SGH bicolores. Elle convient donc parfaitement en tant qu’alternative d’étiquetage. Sur demande, la Markoprint integra PP 108 bicolor imprime également en tout petit format, la plus petite hauteur d’impression étant d’un millimètre. Le changement rapide de texte, avec plus de 50 données variables par seconde, permet la sérialisation des produits, ce qui est particulièrement important pour le marquage à grande vitesse dans les secteurs pharmaceutique et cosmétique.

La fonction bicolore pour l’impression en deux couleurs est unique en son genre. Elle permet par exemple le marquage SGH en noir et rouge avec un seul appareil, l’imprimante à jet d’encre n’a pas besoin d’une autre tête d’impression pour cela. Le logiciel Markoprint integra Command, qui fait partie de la livraison, vous permet de créer et de gérer facilement vos mises en page d’impression sur votre PC. Outre un calculateur pratique de consommation d’encre, le logiciel dispose de nombreuses autres fonctions qui facilitent le travail.

Imprimante à jet d’encre industrielle Markoprint integra PP 108 bicolor pour l’étiquetage bicolore de substances dangereuses sur cartons

Applications

Carton
Cartons étiquetés SGH en deux couleurs avec l’imprimante à jet d’encre Markoprint integra PP 108 bicolor
Papier
Sacs en papier SGH étiquetés avec l’imprimante à jet d’encre Markoprint integra PP 108 bicolore

Particularités

Tuyau d’encre Markoprint integra PP 108

Conception flexible et compacte facilitant l’intégration

Le réservoir d’encre est relié à la tête d’impression par un tuyau d’impression. La longueur variable du tuyau d’impression (0,4 m / 1 m / 3 m) facilite l’intégration du système à jet d’encre dans la production, ce qui est particulièrement utile lorsque l’espace est restreint. En outre, le réservoir d’encre peut être placé au-dessus, en dessous ou au même niveau que la tête d’impression, ce qui offre une grande flexibilité lors de l’intégration dans des processus nouveaux ou existants.

Markoprint integra PP 108 aération simple pour des impressions nettes

Système de recirculation de l’encre permettant une purge facile

Au démarrage, l’imprimante commence à faire circuler l’encre de manière autonome. Cela permet d’éliminer l’air qui peut se trouver dans le tuyau d’impression ou la tête d’impression. Les pompes d’alimentation et de retour empêchent l’accumulation d’air dans la tête d’impression pendant le fonctionnement et maintiennent les buses libres. Cela garantit une image imprimée propre et nette.

Symboles de danger bicolores Markoprint integra PP 108

Imprimer en deux couleurs avec un seul système

Différentes couleurs d’encre (noir, rouge, bleu et vert) sont disponibles pour l’impression bicolore sur des supports absorbants. Une encre pigmentée sans huile minérale (MOF, Mineral Oil Free) est également disponible, adaptée à l’impression sur des surfaces absorbantes dans l’industrie alimentaire. Les surfaces non absorbantes peuvent être imprimées avec de l’encre UV. Elle durcit rapidement sous la lumière UV et donne un résultat d’impression résistant à l’abrasion, par exemple sur des surfaces peintes.

Réservoir d’encre bicolore Markoprint integra PP 108

Réserve d’encre de 750 ml

Le réservoir d’encre interne dispose d’une capacité généreuse de 750 ml, garantissant de longues durées de fonctionnement sans interruption. Grâce à ce grand volume, les recharges fréquentes d’encre deviennent inutiles, ce qui rend l’ensemble du flux de travail nettement plus efficace. Les utilisateurs bénéficient d’un gain de temps considérable et d’un entretien réduit, car le processus d’impression reste fluide et fiable sur de longues périodes.

Markoprint Coding Score

Niveaux de performance clairs pour des solutions d’impression flexibles et évolutives

Le Coding Score spécialement développé facilite le choix et la configuration des systèmes d’impression Markoprint. Les niveaux de performance – PRINT, BASIC, ADVANCED, PRO et ULTIMATE – sont clairement définis, faciles à comparer et varient selon le système. Cela apporte de la transparence lors de la décision et assure une sécurité d’investissement dans une solution de marquage pouvant être étendue à tout moment. Les nouvelles exigences en matière de production, d’efficacité ou de durabilité peuvent être intégrées sans difficulté, garantissant des processus puissants et économiques à long terme.

Données techniques
Spécifications d’impression
Print
Basic
Advanced
Pro
Ultimate
Type d’imprimante
Jet d’encre piézoélectrique (PIJ)
Technologie d’impression supportée
PP
Hauteur d’impression
1,5 - 108 mm
Résolution d’impression verticale jusqu’à
Print
360 dpi
Basic
360 dpi
Advanced
360 dpi
Pro
360 dpi
Ultimate
360 dpi
Vitesse d’impression jusqu’à
Print
30 m/min
Basic
30 m/min
Advanced
60 m/min
Pro
90 m/min
Ultimate
150 m/min
Distance recommandée entre la tête d’impression et le produit
1 mm
Distance entre la tête d’impression et le produit
1 - 3 mm
Nombre de têtes d’impression jusqu’à
1
Nombre maximal de lignes de production
1
Orientation
De gauche à droite, De droite à gauche
Fonction
Impression latérale, Impression de la face supérieure
Contenus imprimables
Print
Champs de texte, Graphiques BMP
Basic
Champs de texte, Graphiques BMP, Indication de temps, Champ de date
Advanced
Code à barres, Champs de texte, Graphiques BMP, Compteur, Indication de temps, Champ de date, Décalage de la date, Saisie de variables, Champs d’action
Pro
Champs d’action, Saisie de variables, Décalage de la date, Champ de date, Indication de temps, Compteur, Graphiques BMP, Champs de texte, Codes 2D, Code à barres
Ultimate
Champs d’action, Saisie de variables, Décalage de la date, Champ de date, Indication de temps, Compteur, Graphiques BMP, Champs de texte, Codes 2D, Code à barres
Code à barres
Print
Basic
Advanced
Code 2 sur 5, Code 39, Code 128, EAN 8, EAN 13, GS1 Databar, UPC-A, UPC-E
Pro
autres sur demande, UPC-E, UPC-A, QR Code, GS1 Databar, GS1 Datamatrix, EAN 13, EAN 8, DataMatrix, Code 128, Code 39, Code 2 sur 5
Ultimate
autres sur demande, UPC-E, UPC-A, QR Code, GS1 Databar, GS1 Datamatrix, EAN 13, EAN 8, DataMatrix, Code 128, Code 39, Code 2 sur 5
DBPrint
Print
Basic
Advanced
Pro
Ultimate
Impression directe PDF
Polices
Polices spécifiques aux clients, Toutes les polices de caractères Windows
Conditions logicielles
Processeur d’au moins 1 GHz, Interface pour le raccordement du dispositif d’impression, Souris PC ou écran tactile, DirectX 9 ou supérieur avec le pilote WDDM 1.0, Au moins 30 Go d’espace sur le disque dur, 2 GB pour 32-bit ou 4 GB pour 64-bit, Windows 7, 8, 10
Logiciel d’interprétation
integra Command
Spitting
Encre
Couleur
Bleu, Vert, Rouge, Noir
Il est possible de travailler avec un maximum de deux encres par système.
Composition
Formulation de l’huile
Matériel informatique
Print
Basic
Advanced
Pro
Ultimate
Afficheur (écran)
Pas d’écran
Panneau de commande/affichage externe
Écran externe Vivid
Protection par mot de passe
Print
Basic
Advanced
Pro
Ultimate
Capteur interne
Signal du capteur
NPN, Seuil de commutation 7V
Signal du transmetteur
Fréquence max.150 kHz, Seuil de commutation 7 V, Tension 24 V, Symétrique ou NPN
Sorties d’état/ d’alarme
Print
4
Basic
4
Advanced
4
Pro
4
Ultimate
4
Extension de la mémoire flash en option
Emplacement pour clé USB
Emplacement pour carte mémoire SD
Emplacement PCMCIA
Wi-Fi
Print
Basic
Advanced
Pro
Ultimate
Interfaces
sUB-D 15 pôles (connexion transmetteur/capteur/entrées/sorties et alimentation électrique en option), Ethernet (TCP/IP), RS-232
Aspects physiques
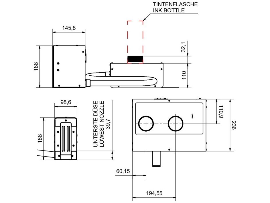
Dimensions du système (HxLxP)
142 x 236 x 306 mm
Dimensions de la tête d’impression (H×L×P)
188 x 99 x 146 mm
Longueur min. du tuyau
0,4 m
Longueur max. du tuyau
3 m
Poids
10 kg
Autorisations
CE
Humidité relative non condensante
30 - 85 %
Température ambiante
10 - 40°C
Tension de raccordement
90-240 V
Fréquence du secteur
50-60 Hz
Intensité du courant
1,7 A
Consommation électrique
150 W