Ligne d’étiquetage automatique industrielle

Geset 247

Étiquetage supérieur et inférieur pour les produits transportés par serrage en raison de leur géométrie

  • 2 étiquettes par produit
  • Construction compacte, facile à intégrer
  • Extensible avec des technologies d’impression de données variables
  • Format d’étiquette min. 20 x 25 mm, max. 135 x 300 mm
  • Étiquette jusqu’à 300 produits/min

Grâce à la bande de serrage : guidage sûr, étiquetage précis

La ligne d’étiquetage automatique industrielle Geset 247, conforme CE, a été spécialement conçue pour offrir une convivialité maximale et une intégration simple dans les lignes de production existantes. Le système modulaire étiquette de manière fiable les produits sur la face supérieure et inférieure. Le flux de produits reste constamment stable pendant le processus d’étiquetage grâce à la bande de serrage intégrée. L’étiquetage est assuré par deux systèmes de pose d’étiquettes Alpha HSM haute vitesse. Grâce à l’écran tactile central et à une commande en champ proche, l’utilisation est intuitive – idéale même pour un personnel peu formé. Le changement rapide de rouleaux et de formats réduit les temps d’arrêt et augmente la flexibilité.

Les paramètres dépendant du produit et de l’étiquette peuvent être enregistrés et rappelés directement. La conception compacte avec boîtier de commande intégré, composants enfichables et design épuré permet de gagner de la place et de simplifier la maintenance. Pour un support rapide et efficace, le système est en outre entièrement accessible à distance. Grâce à ses différentes interfaces, il s’intègre parfaitement dans les environnements de production modernes.

Applications

Système d’étiquetage Geset 247 étiquette sur fromage
Système d’étiquetage Geset 247 étiquette sur bol d’olives
Système d’étiquetage Geset 247 étiquette sur carte de circuit imprimé
Système d’étiquetage Geset 247 étiquette sur crème de soin

Particularités

Geset 247 détail applicateur d’étiquettes

Pour les produits et les emballages dans les secteurs alimentaire, pharmaceutique, etc.

L’installation permet d’étiqueter des emballages tels que des cartons, des barquettes thermoformées, des boîtes et des produits comparables et convient pour des applications dans les secteurs de l’alimentation, de la pharmacie, des soins de santé et des soins à domicile. Tous les paramètres d'étiquetage peuvent être enregistrés en fonction du produit et rappelés avec une grande précision : parfait pour les produits changeants et les petits lots.

Étiquette imprimée avec l’imprimante à jet d’encre Markoprint X1JET HP Standard

Extensible en option avec les technologies d’impression

Si des données variables telles que la date limite de consommation ou le numéro de lot doivent être imprimées sur les étiquettes avant l’application, l’installation peut être complétée sans problème. Des supports spéciaux pour les imprimantes directes par thermo-transfert et les imprimantes à jet d’encre font partie du module et sont disponibles immédiatement. Vous pouvez ainsi apposer très efficacement, de manière lisible et précise, des codes supplémentaires sur vos étiquettes haut de gamme lors de l'étiquetage.

Armoire de commande avec IP54 et version en acier inoxydable en option

Le remplacement du carter de commande par une armoire électrique avec un indice de protection IP54 (pour la protection contre les projections d’eau lors du nettoyage) est possible en option. De plus, une version de l’installation en acier inoxydable est disponible. Cela augmente la résistance à la corrosion des composants sensibles comme le moteur et le convoyeur dans des environnements très humides et exigeants.

Geset 247 étiquetage par dessous

Bande de serrage pour des étiquetages encore plus précis

Les systèmes Geset de la série 24x sont équipés de courroies de serrage spéciales qui guident les produits avec précision et sécurité tout au long du processus d’étiquetage. En particulier pour les récipients légers, instables ou de forme irrégulière, les courroies latérales assurent un maintien et un centrage exacts. Mais les courroies de serrage peuvent également être avantageuses pour d’autres produits, notamment lorsqu’un étiquetage particulièrement précis est requis. En même temps, elles permettent un transfert en douceur vers les systèmes en amont et en aval lorsque les produits, en raison de leur nature, doivent être directement « cueillis » ou saisis par la technique de convoyage.

Données techniques
Données de distribution
Position de l’étiquette
Face supérieure, Face inférieure
Cadence d’application d’étiquettes max.
300 /min
Vitesse du produit jusqu’à
30 m/min
Précision de positionnement (+/-)
2 mm
Format d’étiquette min. (LxP)
20 x 25 mm
Format d’étiquette max. (LxP)
135 x 300 mm
Diamètre du rouleau d’étiquettes max.
300 mm
Produit à étiqueter
Dimensions du produit max. (H×L×P)
250 x 200 x 500 mm
Dimensions du produit min. (H×L×P)
20 x 20 x 20 mm
Caractéristiques
Équipements spéciaux en option
Unité d’impression TTO, Markoprint X1 Printer, Version en acier inoxydable
Transport de produit
Courroies de serrage
Gestion des produits
oui
HMI
Version IHM
Écran tactile
Aspects physiques
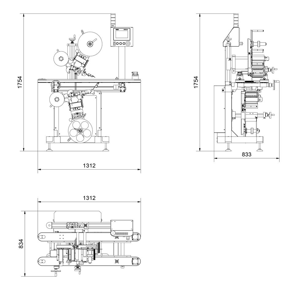
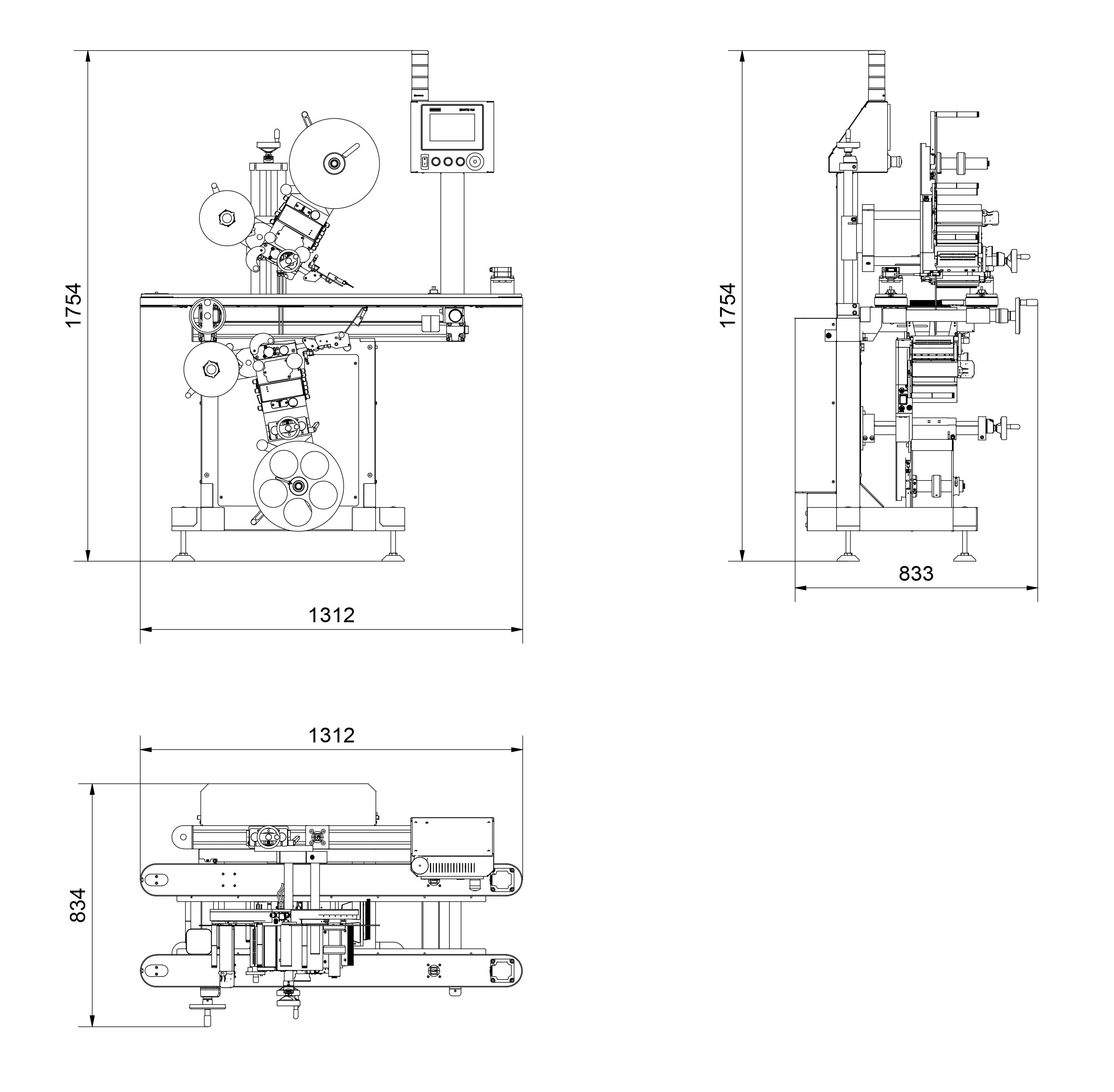
Dimensions du système (HxLxP)
1754 x 833 x 1312 mm
Homologations
CE, UKCA
Température ambiante
10 - 30°C
Tension de raccordement
230 V
Fréquence du secteur
50 Hz
Raccordements
Raccordement d’air comprimé
6 bar