Ligne d’étiquetage automatique industrielle

Geset 242

Étiquetage inférieur pour les produits transportés par serrage en raison de leur géométrie

  • 1 étiquette par produit
  • Construction compacte, facile à intégrer
  • Extensible avec des technologies d’impression de données variables
  • Format d’étiquette min. 20 x 25 mm, max. 135 x 300 mm
  • Étiquette jusqu’à 300 produits/min

Grâce à la bande de serrage : guidage sûr, étiquetage précis

La ligne d’étiquetage automatique industrielle Geset 242 conforme à la norme CE a été spécialement conçue pour une convivialité maximale et une intégration facile dans les lignes de production existantes. L’installation modulaire étiquette les produits de manière fiable sur la face inférieure. La bande de serrage intégrée assure un flux de produits stable et constant dans le processus d’étiquetage. L’étiquetage est assuré par un système de pose d’étiquettes Alpha HSM à grande vitesse. Grâce à l’écran tactile central ainsi qu’à une commande à champ proche, le contrôle est intuitif : parfait même pour le personnel peu formé. Un changement rapide de rouleau et de format réduit les temps d’arrêt et augmente la flexibilité.

Les paramètres dépendant du produit et de l’étiquette peuvent être enregistrés et il est possible d’y accéder directement. La construction compacte avec un carter de commande intégré, des composants enfichables et un design clair permet de gagner de la place et simplifie la maintenance. Pour une assistance rapide et efficace, l’installation est également entièrement gérable à distance. Grâce à ses différentes interfaces, elle s’intègre parfaitement dans les environnements de production modernes.

Applications

Système d’étiquetage Geset 242 étiquette sur laque pour cheveux
Système d’étiquetage Geset 242 étiquettes sur emballage de raisins
Système d’étiquetage Geset 141 étiquette sur pot cosmétique
Système d’étiquetage Geset 242 étiquette sur boîte à biscuits
Étiqueteuse Geset 212 étiquette sur le fond d’une boîte en plastique pour cosmétiques

Particularités

Geset 242 détail étiquetage de la face inférieure

Pour les produits et les emballages dans les secteurs alimentaire, pharmaceutique, etc.

L’installation permet d’étiqueter des emballages tels que des cartons, des barquettes thermoformées, des boîtes et des produits comparables et convient pour des applications dans les secteurs de l’alimentation, de la pharmacie, des soins de santé et des soins à domicile. Tous les paramètres d'étiquetage peuvent être enregistrés en fonction du produit et rappelés avec une grande précision : parfait pour les produits changeants et les petits lots.

Étiquette imprimée avec l’imprimante à jet d’encre Markoprint X1JET HP Standard

Extensible en option avec les technologies d’impression

Si des données variables telles que la date limite de consommation ou le numéro de lot doivent être imprimées sur les étiquettes avant l’application, l’installation peut être complétée sans problème. Des supports spéciaux pour les imprimantes directes par thermo-transfert et les imprimantes à jet d’encre font partie du module et sont disponibles immédiatement. Vous pouvez ainsi apposer très efficacement, de manière lisible et précise, des codes supplémentaires sur vos étiquettes haut de gamme lors de l'étiquetage. Nous vous conseillons volontiers sur l'appareil adapté à vos besoins.

Armoire de commande avec IP54 et version en acier inoxydable en option

Le remplacement du carter de commande par une armoire électrique avec un indice de protection IP54 (pour la protection contre les projections d’eau lors du nettoyage) est possible en option. De plus, une version de l’installation en acier inoxydable est disponible. Cela augmente la résistance à la corrosion des composants sensibles comme le moteur et le convoyeur dans des environnements très humides et exigeants.

Geset 242 détail bande de serrage

Bande de serrage pour des étiquetages encore plus précis

Les systèmes Geset de la série 24x sont équipés de courroies de serrage spéciales qui guident les produits avec précision et sécurité tout au long du processus d’étiquetage. En particulier pour les récipients légers, instables ou de forme irrégulière, les courroies latérales assurent un maintien et un centrage exacts. Mais les courroies de serrage peuvent également être avantageuses pour d’autres produits, notamment lorsqu’un étiquetage particulièrement précis est requis. En même temps, elles permettent un transfert en douceur vers les systèmes en amont et en aval lorsque les produits, en raison de leur nature, doivent être directement « cueillis » ou saisis par la technique de convoyage.

Données techniques
Données de distribution
Position de l’étiquette
Face inférieure
Cadence d’application d’étiquettes max.
300 /min
Vitesse du produit jusqu’à
30 m/min
Précision de positionnement (+/-)
2 mm
Format d’étiquette min. (LxP)
20 x 25 mm
Format d’étiquette max. (LxP)
135 x 300 mm
Diamètre du rouleau d’étiquettes max.
300 mm
Produit à étiqueter
Dimensions du produit max. (H×L×P)
250 x 200 x 500 mm
Dimensions du produit min. (H×L×P)
20 x 20 x 20 mm
Caractéristiques
Équipements spéciaux en option
Unité d’impression TTO, Markoprint X1 Printer, Version en acier inoxydable
Transport de produit
Courroies de serrage
Gestion des produits
oui
HMI
Version IHM
Écran tactile
Aspects physiques
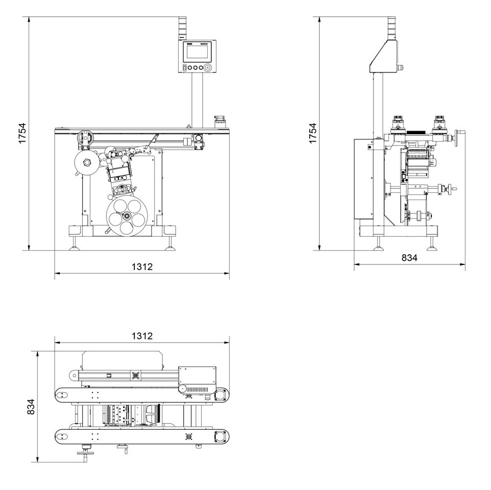
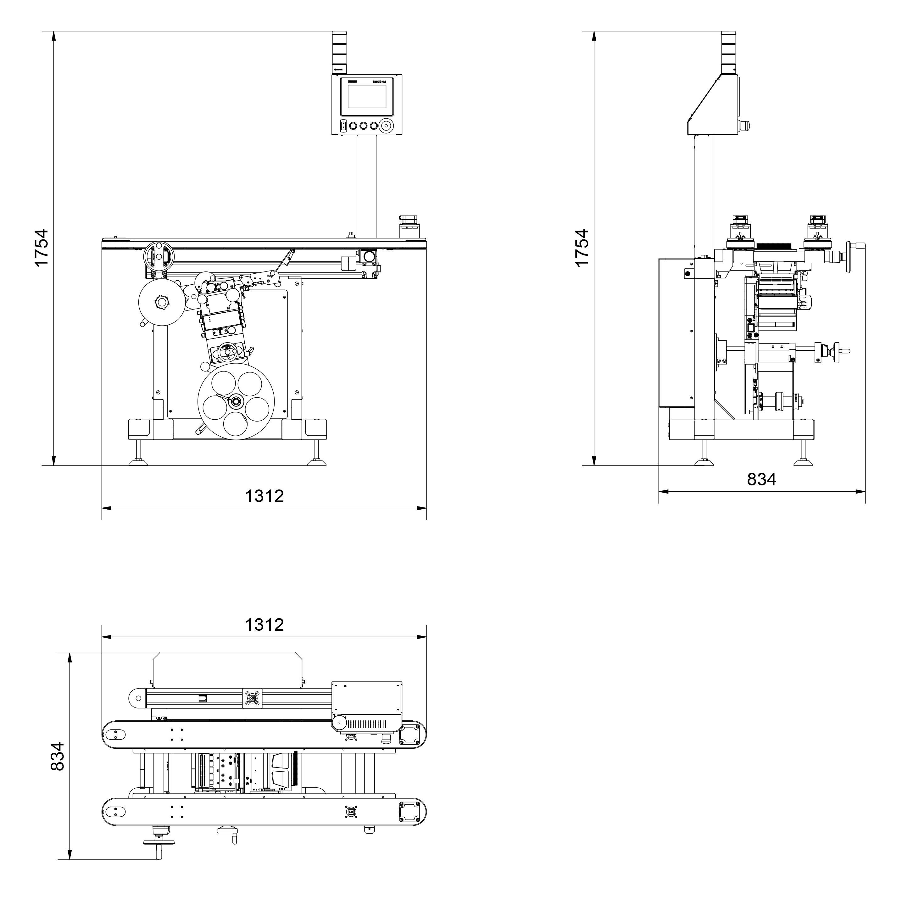
Dimensions du système (HxLxP)
1754 x 834 x 1312 mm
Homologations
CE, UKCA
Température ambiante
10 - 30°C
Raccordements
Tension d’alimentation
230 - 230 V
Raccordement d’air comprimé
6 bar
Fréquence du secteur
50 - 50 Hz