Ligne d’étiquetage automatique industrielle

Geset 217

Étiquetage de produits sur le dessus et le dessous

  • Utilisation très simple au quotidien
  • 2 étiquettes par produit
  • Construction compacte, facile à intégrer
  • Extensible avec des technologies d’impression de données variables
  • Format d’étiquette min. 20 x 25 mm, max. 135 x 300 mm
  • Étiquette jusqu’à 300 produits/min

Développée pour être facile à utiliser et à intégrer dans le système

La ligne d’étiquetage automatique industrielle Geset 217 conforme à la norme CE a été spécialement conçue pour une convivialité maximale et une intégration facile dans les lignes de production existantes. L’installation modulaire étiquette les produits de manière fiable sur la face supérieure et inférieure. Le système de convoyage intégré assure un flux de produits stable et constant dans le processus d’étiquetage. L’étiquetage est assuré par deux systèmes de pose d’étiquettes Alpha HSM à grande vitesse. Grâce à l’écran tactile central ainsi qu’à une commande à champ proche, le contrôle est intuitif : parfait même pour le personnel peu formé. Un changement rapide de rouleau et de format réduit les temps d’arrêt et augmente la flexibilité.

Les paramètres dépendant du produit et de l’étiquette peuvent être enregistrés et il est possible d’y accéder directement. La construction compacte avec un carter de commande intégré, des composants enfichables et un design clair permet de gagner de la place et simplifie la maintenance. Pour une assistance rapide et efficace, l’installation est également entièrement gérable à distance. Grâce à ses différentes interfaces, elle s’intègre parfaitement dans les environnements de production modernes.

Geset 217 étiquetage du chocolat

Applications

Étiqueteuse Geset 217 étiquette double face sur emballage cosmétique
Étiqueteuse Geset 217 étiquette double face sur emballage alimentaire
Étiqueteuse Geset 217 étiquette double face sur emballage alimentaire
Système d’étiquetage Geset 247 étiquette sur fromage

Particularités

Geset 222 étiquette des bouteilles

Pour les produits et les emballages dans les secteurs alimentaire, pharmaceutique, etc.

L’installation permet d’étiqueter des emballages tels que des cartons, des barquettes thermoformées, des boîtes et des produits comparables et convient pour des applications dans les secteurs de l’alimentation, de la pharmacie, des soins de santé et des soins à domicile. Tous les paramètres d'étiquetage peuvent être enregistrés en fonction du produit et rappelés avec une grande précision : parfait pour les produits changeants et les petits lots.

Étiquette imprimée avec l’imprimante à jet d’encre Markoprint X1JET HP Standard

Extensible en option avec les technologies d’impression

Si des données variables telles que la date limite de consommation ou le numéro de lot doivent être imprimées sur les étiquettes avant l’application, l’installation peut être complétée sans problème. Des supports spéciaux pour les imprimantes directes par thermo-transfert et les imprimantes à jet d’encre font partie du module et sont disponibles immédiatement.

Armoire de commande avec IP54 et version en acier inoxydable en option

Le remplacement du carter de commande par une armoire électrique avec un indice de protection IP54 (pour la protection contre les projections d’eau lors du nettoyage) est possible en option. De plus, une version de l’installation en acier inoxydable est disponible. Cela augmente la résistance à la corrosion des composants sensibles comme le moteur et le convoyeur dans des environnements très humides et exigeants.

Données techniques
Données de distribution
Position de l’étiquette
Face supérieure, Face inférieure
Cadence d’application d’étiquettes max.
300 /min
Vitesse du produit jusqu’à
30 m/min
Précision de positionnement (+/-)
2 mm
Format d’étiquette min. (LxP)
20 x 25 mm
Format d’étiquette max. (LxP)
135 x 300 mm
Diamètre du rouleau d’étiquettes max.
300 mm
Produit à étiqueter
Dimensions du produit max. (H×L×P)
350 x 200 x 400 mm
Dimensions du produit min. (H×L×P)
10 x 20 x 20 mm
Caractéristiques
Équipements spéciaux en option
Unité d’impression TTO, Markoprint X1 Printer, Version en acier inoxydable
Transport de produit
Convoyeur à bord couteau
Gestion des produits
oui
HMI
Version IHM
Écran tactile
Aspects physiques
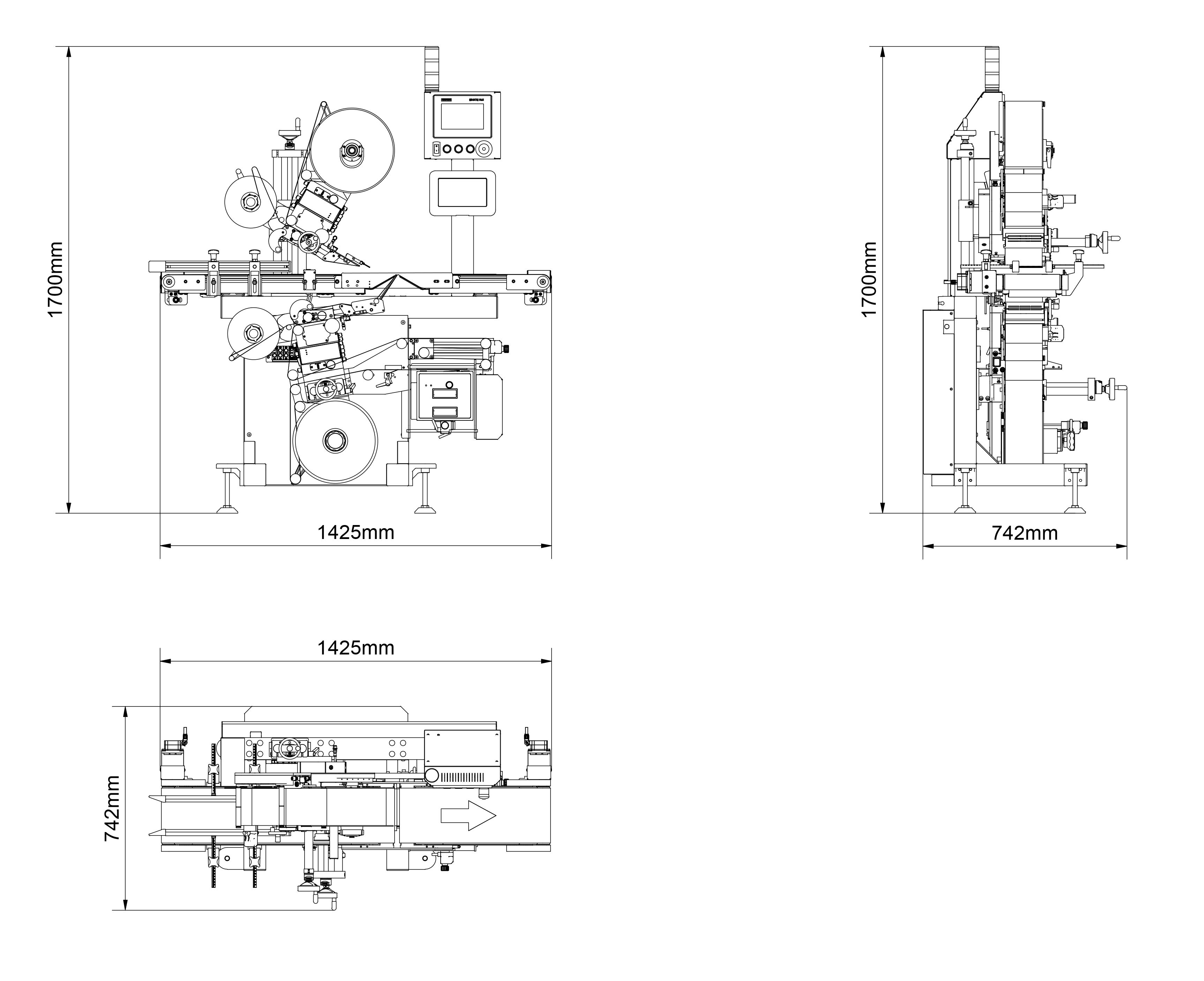
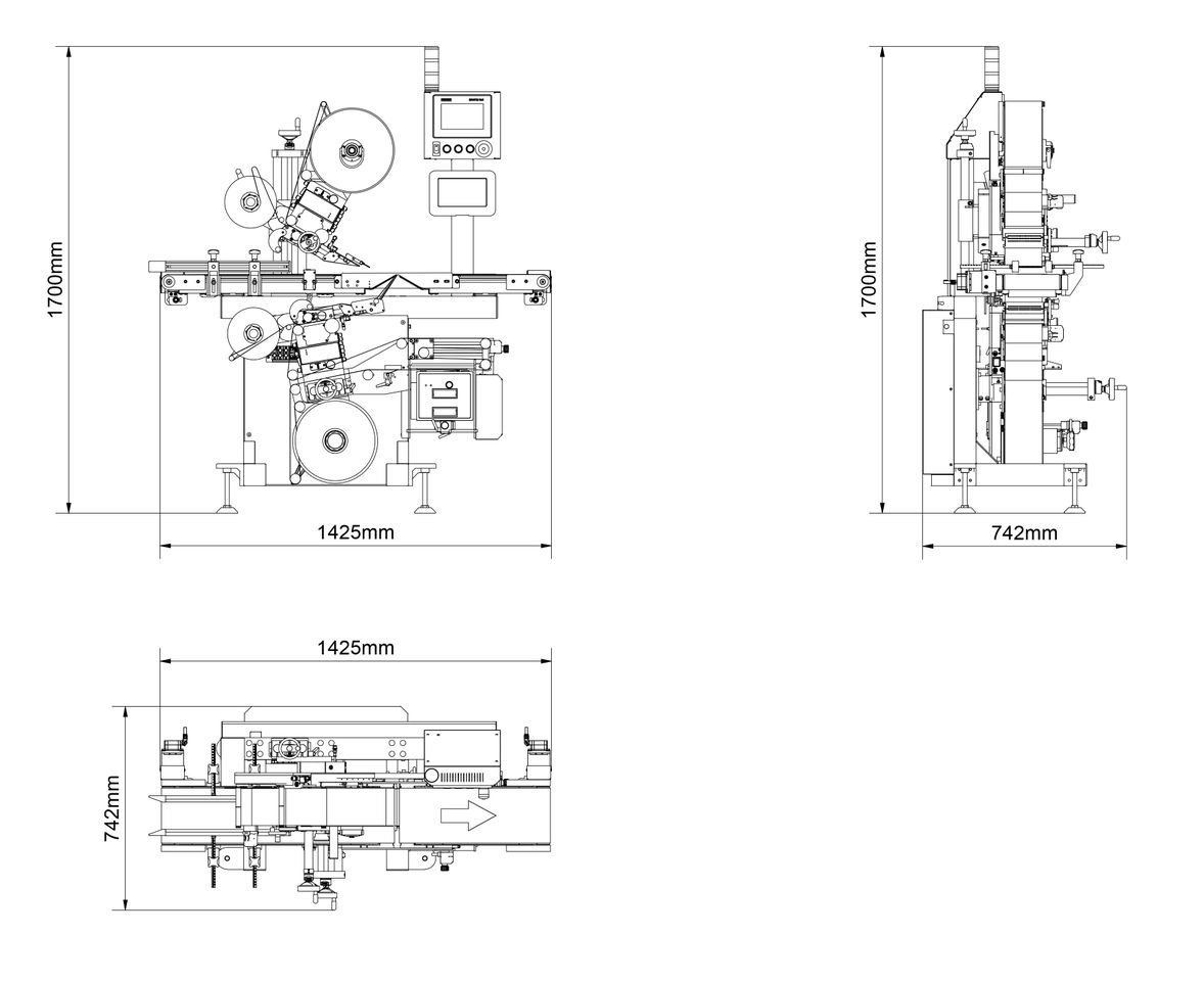
Dimensions du système (HxLxP)
1700 x 742 x 1425 mm
Homologations
CE, UKCA
Température ambiante
10 - 30°C
Tension de raccordement
230 V
Fréquence du secteur
50 Hz
Raccordements
Raccordement d’air comprimé
6 bar